LED 产品 PWM 调光方案
栏目:公司新闻 发布时间:2018-09-20
LED 照明较其他照明产品具有绿色、节能、环保、长寿命等优点,随着整体成本降低,LED照明开始广泛使用在商业、家庭等领域。而智能型LED照明独有的特点适用于不同的应用场合和需求,如远程控制、定时开关、调光、调色等。 XLSEMI研制出针对LED照明的

LED 照明较其他照明产品具有绿色、节能、环保、长寿命等优点,随着整体成本降低,LED 照明开始广泛使用在商业、家庭等领域。而智能型 LED 照明独有的特点适用于不同的应用场合和需求,如远程控制、定时开关、调光、调色等。 

XLSEMI 研制出针对 LED 照明的全集成开关型变换方案,内部集成高压、大功率 MOSFET 开关管,外围元器件简单,系统应用灵活,转换效率高,系统体积小,内置过温保护、过流保护、短路保护等全套可靠性保护电路,同时兼容外置 PWM 信号调光功能,实现智能驱动 LED。 


应用范围

LED 照明

特色

XL30XX 系列可以通过外置 PWM 信号,改变 PWM 信号占空比来实现调光功能,PWM 信号占空比变化范围 0%-100%,PWM

信号频率范围 1KHz-10KHz。 


5.png

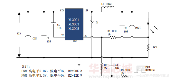
系统方块图

1.png

相关文档

应用手册:XLSEMI恒流LED产品PWM调光方案简介.pdf

成功案例

参考数据 

备注:VPWM=5.0V 时,电阻 R2=20K,VPWM=3.3V 时,电阻 R2=12K。 

测试条件 1,输入 12V/24V,输出接 3 串 LED,初始电流值设定为 309mA/618mA,调光信号幅值为 5.0V/3.3V,频率为 1KHz、5KHz、10KHz。 

2.png

测试条件 2,输入 8V-36V,输出接 2 串 LED,初始电流值设定为 309mA,调光信号幅值为 5.0V/3.3V,频率为 1KHz、10KHz。 

3.png

参考波形 

输入 12V,输出接 3 串 LED,初始电流值设定为 309mA,调光信号幅值为 5.0V,占空比 50%,频率为 5KHz、10KHz。 

备注:通道 1 黄色,PWM 信号波形;通道二绿色,输出电压纹波;通道三蓝色,输出电流纹波 

4.png